菜单
close
鹏缘管夹
18251306315
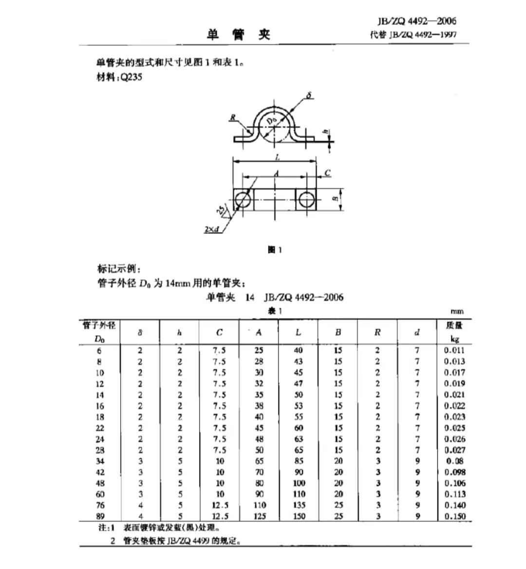
单管夹
单管夹
单管夹

单管夹

材质:

材质:碳钢、304不锈钢、316不锈钢、以及其他特种钢材、支持制定材质定做

应用场景:

石油管道、化工管道、船舶管道、天然气管道、消防管道系统、自来水管道、线缆固定、汽车制造业等

  • 产品样册
  • 产品规格

产品样册

单管夹
单管夹
单管夹
单管夹
单管夹
单管夹
单管夹
单管夹
单管夹
单管夹

产品规格

Copyright © 江苏鹏缘管夹制造有限公司 备案号:苏ICP备2023012401号-1 技术支持:苏州网站建设